SYSTEM DIAGRAM

INPUT/OUTPUT SIGNAL TABLE
|
Sensor (or signal) |
![]() |
TCM function |
![]() |
Actuator |
|
|
|
SYSTEM DESCRIPTION
LIST OF CONTROL ITEMS AND INPUT/OUTPUT


**: If these input/output signals show errors, TCM activates the fail-safe function.
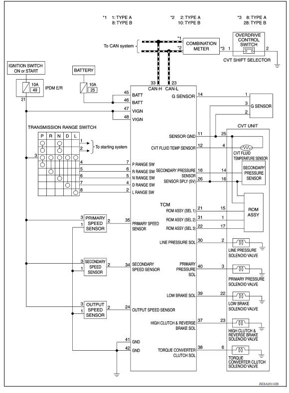
CVT CONTROL SYSTEM : Schematic


TCM has a fail-safe mode. The mode functions so that operation can be continued even if the signal circuit of the main electronically controlled input/output parts is damaged.
If the vehicle shows following behaviors including "poor acceleration", a malfunction of the applicable system is detected by TCM and the vehicle may be in a fail-safe mode. At this time, check the DTC code and perform inspection and repair according to the malfunction diagnosis procedures.
Fail-safe function
| DTC | Vehicle behavior | Conditions of vehicle |
| P062F |
|
- |
| P0705 |
|
- |
| P0706 |
|
- |



The TCM becomes the protection control status temporarily to protect the safety when the safety of TCM and transmission is lost. It automatically returns to the normal status if the safety is secured.
The TCM has the following protection control.
CONTROL FOR WHEEL SPIN 
CONTROL WHEN FLUID TEMPERATURE IS HIGH

TORQUE IS REDUCED WHEN DRIVING WITH THE REVERSE GEAR

REVERSE PROHIBIT CONTROL 
Fluid cooler & fluid warmer systemFLUID COOLER & FLUID WARMER SYSTEM : System Description CVT FLUID COOLER SCHEMATIC COMPONENT DESCRIPTION CVT Oil Warmer The CVT oil warmer (1) is installed on the front part of trans ...

LINE PRESSURE CONTROL : System Description SYSTEM DIAGRAM DESCRIPTION Highly accurate line pressure control (secondary pressure control) reduces friction for improvement of fuel economy. No ...
Interior lights
The interior light has a three-position switch and
operates regardless of ignition switch position.
When the switch is in the ON position 1 , the
interior lights illuminate, regardless of door position.
The lights will go off after a period of time
unless the ignition switch is placed i ...
Emission control system warranty
Your NISSAN vehicle is covered by the following
emission warranties:
For USA
1. Emission Defects Warranty
2. Emissions Performance Warranty
Details of this warranty may be found with other
vehicle warranties in your Warranty Information
Booklet which comes with your NISSAN vehicle.
If you ...