REMOVAL AND INSTALLATION

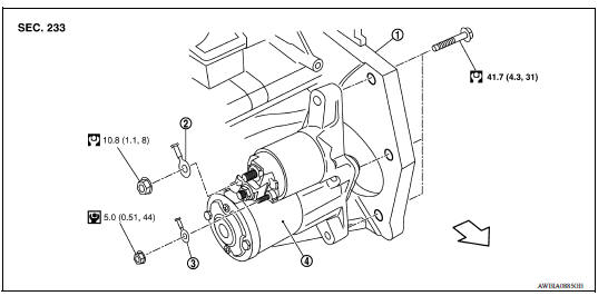
1. Cylinder block 2. "B" terminal harness 3. "S" terminal harness
4. Starter motor
Front
DISASSEMBLY AND ASSEMBLY

1. Magnetic switch assembly 2. Adjusting plate 3. Shift lever set 4. Center bracket (A) 5. Yoke assembly 6. Armature assembly 7. Brush holder assembly 8. Thrust washer 9. Rear cover assembly 10. Internal gear 11. Planetary gear 12. Pinion shaft 13. Packing 14. Thrust washer 15. Center bracket (C) 16. E-ring 17. Pinion assembly 18. Pinion stopper 19. Pinion stopper clip 20. Rubber seal 21. Gear case assembly
REMOVAL
CAUTION: Be careful to not damage surrounding parts when removing starter motor from the vehicle.
: Front

INSTALLATION
Installation is in the reverse order of removal.
CAUTION:
NOTE: Reset electronic systems as necessary.
INSPECTION
Magnetic Switch Check
(B): "B" terminal (C): "C" terminal

4. Test continuity between "S" terminal (A) and "M" terminal (C). (B): "B" terminal

Pinion/Clutch Check

Brush Check
Minimum length of brush : Refer to STR

Brush Spring Check
Spring tension (with new brush) : Refer to

Brush Holder Check

Yoke Check
Magnet is secured to yoke by bonding agent. Check magnet for cracks and to ensure it is secured to yoke. If damaged, replace yoke assembly.
CAUTION: Do not clamp yoke in a vise or strike it with a hammer.

Armature Check

3. Check commutator surface.

4. Check diameter of commutator.
Commutator minimum diameter : Refer to STR

5. Check depth of insulating mold from commutator surface.

PINION PROTRUSION LENGTH ADJUSTMENT
1. Apply battery power to the magnetic switch.
2. Push the pinion back to remove the slack and measure clearance "L" between the front edge of the pinion and the pinion stopper.
Clearance "L" : Refer to STR

3. If the measurement value is not within specifications, adjust using the adjustment plate.

SERVICE DATA AND SPECIFICATIONS (SDS)
Starter Motor

S connector circuitDescription The starter motor magnetic switch is supplied with power when the ignition switch is turned to the START position while the selector lever is in the P (Park) or N (Neutral) position. ...

Precaution for Supplemental Restraint System (SRS) "AIR BAG" and "SEAT BELT PRE-TENSIONER" The Supplemental Restraint System such as "AIR BAG" and "SEAT BELT PRE-TENSIONER", us ...
Readiness for inspection/maintenance (I/M) test
Due to legal requirements in some states and
Canadian Provinces, your vehicle may be required
to be in what is called the "ready condition"
for an Inspection/Maintenance (I/M) test of
the emission control system.
The vehicle is set to the "ready condition" when it
is driven through certain d ...
Event Data Recorders (EDR)
This vehicle is equipped with an Event Data Recorder
(EDR). The main purpose of an EDR is to
record, in certain crash or near crash-like situations,
such as an air bag deployment or hitting a
road obstacle, data that will assist in understanding
how a vehicle's systems performed. The EDR
is de ...