Cylinder Head Bolts

1. Cylinder head assembly 2. Cylinder head bolt 3. Washer 4. Cylinder head gasket
Valve Components

1. Spark plug 2. Valve collet 3. Valve spring retainer 4. Valve spring 5. Valve spring seat 6. Valve oil seal 7. Valve guide (INT) 8. Valve guide (EXH) 9. Valve seat (EXH) 10. Valve (EXH) 11. Valve (INT) 12. Valve seat (INT)
REMOVAL
NOTE:
When removing components such as hoses, tubes/lines, etc., cap or plug openings to prevent fluid from spilling.
3. Remove cylinder head loosening bolts in reverse order as shown.
(A) : EXH side
(B) : INT side
: Engine front

4. Remove cylinder head gasket.
INSTALLATION
(A) : EXH side
(B) : INT side
: Engine front
CAUTION:
If cylinder head bolts are reused, check their outer diameters before installation.
a. Apply new engine oil to threads and seating surfaces of bolts.
b. Tighten all bolts.
Cylinder head bolts : 40.0 N*m (4.1 kgm, 30 ftlb)

c. Turn all bolts 60 degrees clockwise (angle tightening) using Tool (A) in the specified order.
CAUTION:
Check and confirm the tightening angle by using Tool (A) or protractor. Avoid judgment by visual inspection without the tool.
Tool number : KV10112100 (BT8653A)

d. Completely loosen all bolts.
Cylinder head bolts : 0 N*m (0 kgm, 0 ftlb)
CAUTION:
In this step, loosen bolts in reverse order of that indicated as shown.
e. Tighten all bolts.
Cylinder head bolts : 40.0 N*m (4.1 kgm, 30 ftlb)
f. Turn all bolts 75 degrees clockwise (angle tightening).
g. Turn all bolts 75 degrees clockwise again (angle tightening).
3. Installation of the remaining components is in the reverse order of removal.
DISASSEMBLY
3. Remove valve collet.
CAUTION:
Be careful not to damage valve lifter holes.
Tool number : KV10116200 (J26336B)
: KV10115900 (J2633620)
: KV10109220 ( - )

4. Remove valve spring retainer and valve spring.
5. Push valve stem to combustion chamber side, and remove valve.
6. Remove valve oil seal using Tool (A).
Tool number : KV10107902 (J38959)

ASSEMBLY
Height "H" : 13.2 13.8 mm (0.520 0.543 in) Tool number : KV10115600 (J38958)

4. Install valve spring seat.
5. Install valve.
6. Install valve spring.
NOTE:
It can be installed in either direction.
7. Install valve spring retainer.
8. Install valve collet.
CAUTION:
Be careful not to damage valve lifter holes.
Tool number : KV10116200 (J26336B)
: KV10115900 (J2633620)
: KV10109220 ( - )

9. Install valve lifter.
10. Install spark plug with a suitable tool.
INSPECTION AFTER REMOVAL
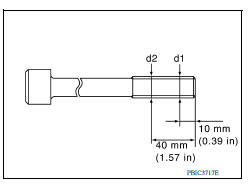
Cylinder Head Bolts Outer Diameter
Limit ("d1"-"d2"): 0.15 mm (0.0059 in)

Cylinder Head Distortion
NOTE:
When performing this inspection, cylinder block distortion should be also checking.
1. Wipe off engine oil and remove water scale (like deposit), gasket, sealant, carbon, etc. with a scraper.
CAUTION:
Use utmost care not to allow gasket debris to enter passages for engine oil or engine coolant.
2. At each of several locations on bottom surface of cylinder head, measure the distortion in six directions.
(A) : Straightedge
(B) : Feeler gauge

INSPECTION AFTER DISASSEMBLY
VALVE DIMENSIONS
VALVE GUIDE CLEARANCE
Valve Stem Diameter
Valve Guide Inner Diameter
Valve Guide Clearance

VALVE GUIDE REPLACEMENT
When valve guide is removed, replace with oversized [0.2 mm (0.008 in)] valve guide.

WARNING:
Cylinder head contains heat; when working, wear protective equipment to avoid getting burned.

3. Ream cylinder head valve guide hole with a suitable tool.
Valve guide hole diameter (for service parts): Intake and exhaust : 9.175 9.201 mm (0.3612 0.3622 in)

4. Heat cylinder head to 110 to 130C (230 to 266F) by soaking in heated oil.

5. Using a suitable tool, press valve guide (1) from camshaft side to dimensions as shown.
Projection "H": : 11.4 11.8 mm (0.448 0.464 in)
WARNING:
Cylinder head contains heat; when working, wear protective equipment to avoid getting burned.

6. Apply reamer finish to valve guide with a suitable tool.
Standard 5.000 5.018 mm (0.1968 0.1975 in)

VALVE SEAT CONTACT
(A) : OK

VALVE SEAT REPLACEMENT
When valve seat is removed, replace with oversized [0.5 mm (0.020 in)] valve seat.
1. Bore out old seat until it collapses. Boring should not continue beyond the bottom face of the seat recess in cylinder head. Set the machine depth stop to ensure this.
CAUTION:
Prevent scoring cylinder head by excessive boring.
2. Ream cylinder head recess diameter for service valve seat.
Oversize [0.5 mm (0.020 in)]
Intake : 32.500 32.527 mm (1.2795 1.2805 in)
Exhaust : 26.400 26.427 mm (1.0393 1.0404 in)
This will enable valve seat to fit correctly.

3. Heat cylinder head to 110 to 130C (230 to 266F) by soaking in heated oil.

4. Provide valve seats cooled well with dry ice. Pressfit valve seats into cylinder head.
WARNING:
Cylinder head contains heat; when working, wear protective equipment to avoid getting burned.
CAUTION:
Avoid directly touching cold valve seats.
5. Using a suitable tool a valve seat grinder, finish valve seat to the specified dimensions.
CAUTION:
When using a valve seat cutter, firmly grip the cutter handle with both hands. Then, press the contacting surface evenly around the valve seat to cut in a single attempt. Improper pressure or cutting several times may result in wavy valve seat.

VALVE SPRING SQUARENESS
Measure the maximum clearance between the top of spring and trisquare
(B) : Contact

VALVE SPRING DIMENSIONS AND VALVE SPRING PRESSURE LOAD
CAUTION:
Do not remove valve spring seat from valve spring.

INSPECTION AFTER INSTALLATION
NOTE:
If hydraulic pressure inside timing chain tensioner drops after removal and installation, slack in the guide may generate a pounding noise during and just after engine start. However, this is normal. Noise will stop after hydraulic pressure rises.
| Item | Before starting engine | Engine running | After engine stopped | |
| Engine coolant | Level | Leakage | Level | |
| Engine oil | Level | Leakage | Level | |
| Transmission/ transaxle fluid | A/T and CVT Models | Leakage | Level/Leakage | Leakage |
| M/T Models | Level/Leakage | Leakage | Level/Leakage | |
| Other oils and fluids* | Level | Leakage | Level | |
| Fuel | Leakage | Leakage | Leakage | |
| Exhaust gas | Leakage | |||
*Power steering fluid, brake fluid, etc.
Rear oil sealREAR OIL SEAL : Removal and Installation REMOVAL Remove transaxle assembly. Remove clutch cover and clutch disk (M/T models). Remove flywheel (M/T models) or drive plate (A/T or CVT model ...

Exploded View 1. Engine mounting (RH) stay 2. Engine mount (RH) stay 3. Engine mounting insulator (RH) 4. Rear engine mounting bracket 5. Rear torque rod 6. Engine mounting bracket (LH) 7. ...
Door check link
DOOR CHECK LINK : Removal and Installation
REMOVAL
Fully close the rear door window.
Remove rear door finisher. Refer to INT-15, "Removal and Installation".
Remove rear door speaker bolts (if equipped).
Disconnect harness connector and remove rear door speaker (if equipped).
...
Door mirror rear finisher
Removal and Installation
REMOVAL
1. Remove the door mirror glass. Refer to MIR "Removal and Installation".
2. Apply protective tape on mirror body (A). Disengage the pawls
and remove door mirror rear finisher (1) from the door mirror
assembly using a suitable tool (B).
: Pawl
...