REAR : Exploded View

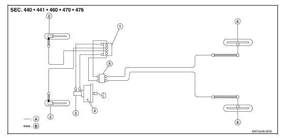
1. Rear brake pipe assembly (RH) 2. Rear brake pipe assembly (LH) 3. Lock
plate
4. Rear brake hose 5. Wheel cylinder brake pipe assembly A. To rear brake hose
B. To brake pipe connector
Front

1. ABS actuator and electric unit (control
unit)
2. Front disc brake 3. Master cylinder assembly
4. Brake booster 5. Connector 6. Rear drum brake
A. Brake pipe B. Brake hose
: Flare nut
: Union bolt
CAUTION:
REMOVAL
CAUTION: Do not spill or splash brake fluid on painted surfaces. Brake fluid may seriously damage paint. Wipe it off immediately and wash with water if it gets on a painted surface.
NOTE: When removing components such as hoses, tubes/lines, etc., cap or plug openings to prevent fluid from spilling.
CAUTION:
INSTALLATION
CAUTION: Check that the brake hoses and pipes are not bent or twisted.
CAUTION: Do not scratch the flare nut and the brake tube.
CAUTION: Do not reuse drained brake fluid.
INSPECTION AFTER INSTALLATION
CAUTION: Clearance with brake hose and each parts being secured more than 10 mm (0.39 in) in unladen condition*.
*: Fuel, engine coolant and lubricant are full. Spare tire, jack, hand tools and mats are in designated positions.
CAUTION: Retighten the applicable connection to the specified torque and repair any abnormal (damaged, worn or deformed) part if any brake fluid leakage is present.
FrontFRONT : Exploded View 1. Master cylinder brake pipe assembly (front) 2. Master cylinder brake pipe assembly (rear) 3. ABS actuator to connector brake pipe assembly (RH) 4. ABS actuator to ...

Exploded View 1. Reservoir cap 2. Brake fluid strainer 3. Reservoir tank 4. Grommet 5. Cylinder body 6. Brake fluid level switch 7. O-ring Apply brake fluid PBC (Poly Butyl Cuprysil) grease or ...
Fuel efficient driving tips
Follow these easy-to-use Fuel Efficient Driving
Tips to help you achieve the most fuel economy
from your vehicle.
1. Use Smooth Accelerator and Brake
Pedal Application
Avoid rapid starts and stops.
Use smooth, gentle accelerator and
brake application whenever possible.
Maintain constan ...
Engine protection control at low engine oil pressure
Engine protection control at low engine oil pressure : system diagram
Engine protection control at low engine
oil pressure : system description
INPUT/OUTPUT SIGNAL CHART
Sensor
Input signal to ECM
ECM function
Actuator
Engine oil pressure sensor
Engine pressure
...