VALUES ON THE DIAGNOSIS TOOL
NOTE:
Example: The ignition timing shown by the timing light may differ from the ignition timing displayed on the data monitor.
This occurs because the timing light shows a value calculated by ECM according to signals received from the camshaft position sensor and other sensors related to ignition timing.






*: Accelerator pedal position sensor 2 signal and throttle position sensor 2 signal are converted by ECM internally.
Thus, they differ from ECM terminals voltage signal.
TERMINAL LAYOUT

PHYSICAL VALUES
NOTE:
Use extreme care not to touch 2 pins at one time.
Data is for comparison and may not be exact.









: Average voltage for pulse
signal (Actual pulse signal can be confirmed by oscilloscope.)
*1: Not used
*2: Before measuring the terminal voltage, confirm that the battery is fully
charged.
NON DTC RELATED ITEM
| Detected items | Engine operating condition in failsafe mode | Remarks |
| Malfunction indicator lamp circuit | Engine speed will not rise more than 2,500 rpm due to the fuel cut | When there is an open circuit on MIL circuit, the ECM cannot warn
the
driver by lighting up MIL when there is malfunction on engine control
system.
Therefore, when electrical controlled throttle and part of ECM related diagnoses are continuously detected as NG for 5 trips, ECM warns the driver that engine control system malfunctions and MIL circuit is open by means of operating fail safe function. The fail safe function also operates when above diagnoses except MIL circuit are detected and demands the driver to repair the malfunction. |
DTC RELATED ITEM


DTC Inspection Priority Chart
If some DTCs are displayed at the same time, perform inspections one by one based on the following priority chart.


DTC Index




*1: 1st trip DTC No. is the same as DTC No.
*2: This number is prescribed by SAE J1979/ ISO 150315.
*3: In Diagnostic Test Mode II (Selfdiagnostic results), this number is controlled by NISSAN.
*4: Refer to EC, "Description".
*5: The troubleshooting for this DTC needs CONSULT.
*6: When the failsafe operations for both selfdiagnoses occur, the MIL illuminates.
*7: This selfdiagnosis is not for ECM power supply circuit, even though "ECM BACK UP/CIRCUIT" is displayed on CONSULT screen.
*8: SRT code will not be set if the selfdiagnostic result is NG.
*9: A/T models or CVT models.
*10: M/T models.
Test Value and Test Limit
The following is the information specified in Service $06 of SAE J1979/ISO 150315.
The test value is a parameter used to determine whether a system/circuit diagnostic test is OK or NG while being monitored by the ECM during selfdiagnosis. The test limit is a reference value which is specified as the maximum or minimum value and is compared with the test value being monitored.
These data (test value and test limit) are specified by On Board Monitor ID (OBDMID), Test ID (TID), Unit and Scaling ID and can be displayed on the GST screen.
The items of the test value and test limit will be displayed with GST screen which items are provided by the ECM. (e.g., if bank 2 is not applied on this vehicle, only the items of bank 1 are displayed)







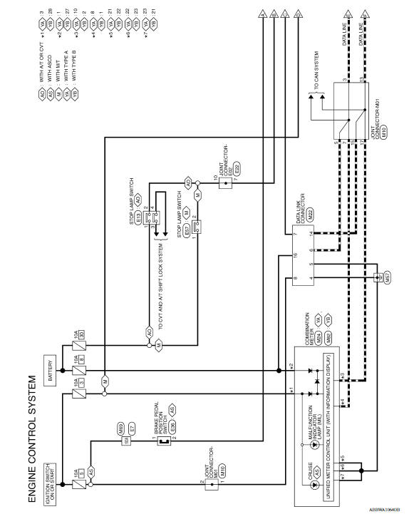
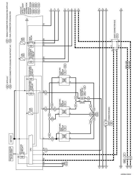
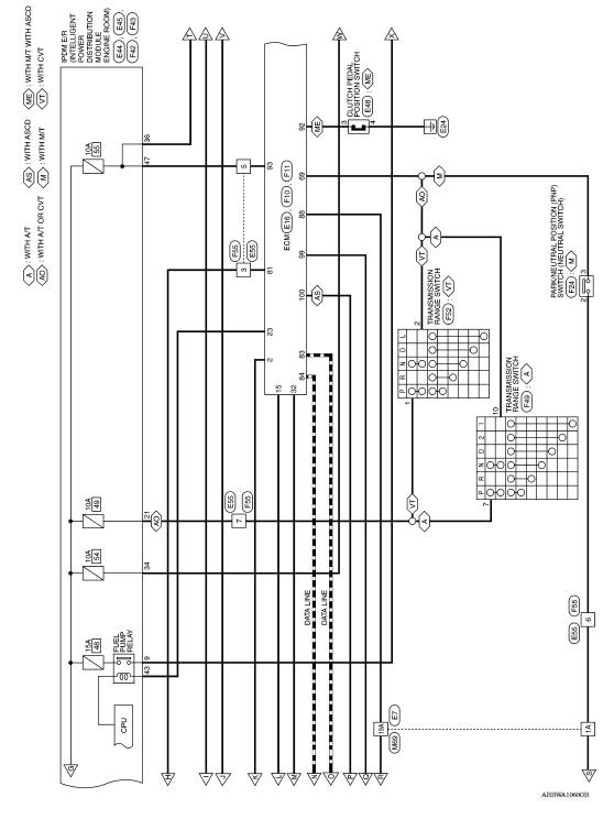
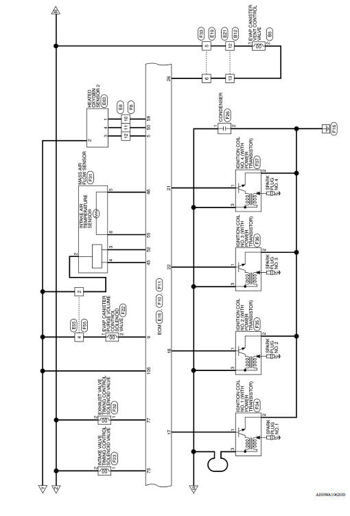
Engine control system
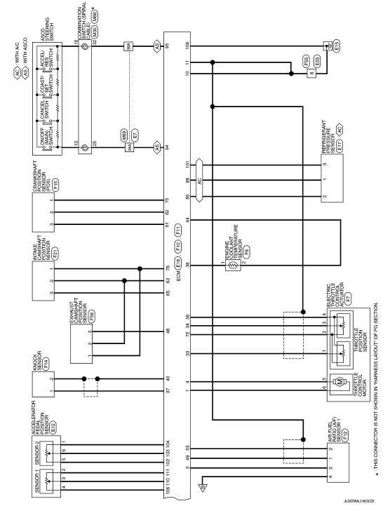
Wiring Diagram





















Bluetooth Hands-Free Phone System with Navigation System (if so equipped)
WARNING
Use a phone after stopping your vehicle
in a safe location. If you have to use a
phone while driving, exercise extreme
caution at all times so full attention may
be given to vehicle operation.
If you are unable to devote full attention
to vehicle operation while talking on
...
Brake and clutch (if so equipped) fluid
For additional information on brake fluid specification,
refer to "Recommended fluids/lubricants
and capacities" in the "Technical and consumer
information" section of this manual.
WARNING
Use only new fluid from a sealed container.
Old, inferior or contaminated
fluid may damage the br ...