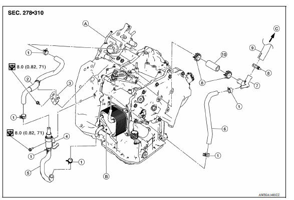
Exploded View

1. Hose clamp 2. Water hose A 3. Bracket 4. Heater thermostat 5. Water hose B 6. Water hose C 7. Water bypass pipe 8. Hose clamp 9. Heater hose 9. Water hose D A. Water outlet B. Oil warner C. To heater core
REMOVAL
WARNING: Do not remove the radiator cap when the engine is hot. Serious burns could occur from high pressure coolant escaping from the radiator.
CAUTION: Perform these steps after the coolant temperature has cooled sufficiently.
INSTALLATION
Installation is in the reverse order of removal.



CAUTION: Hose clamp should not interfere with the bulge of fluid cooler tube.

INSPECTION AFTER REMOVAL
Heater Thermostat

3. Quickly take the heater thermostat out of the hot water, measure the heater thermostat within 10 seconds.
Standard : Refer to TM "Heater Thermostat".
4. If out of standard, replace heater thermostat.

INSPECTION AFTER INSTALLATION
Start the engine, and check the joints for coolant leakage.
Differential side oil sealExploded View 1. Transaxle assembly 2. Differential side oil seal (left side) 3. Differential side oil seal (right side) Front Genuine NISSAN CVT Fluid NS-3 Removal and Installation NOTE ...

Exploded View Removal and Installation Inspection and Adjustment INSPECTION AFTER INSTALLATION Check for CVT fluid leakage. Refer to TM "Inspection". ADJUSTMENT AFTER INSTALLATION ...
Precautions when starting and driving
WARNING
Do not leave children or adults who
would normally require the assistance
of others alone in your vehicle. Pets
should also not be left alone. They
could accidentally injure themselves or
others through inadvertent operation of
the vehicle. Also, on hot, sunny days,
tempera ...
Low tire pressure warning lamp
does not turn on
Diagnosis Procedure
NOTE:
The Signal Tech II Tool (J-50190) can be used to perform the following
functions. Refer to the Signal Tech II
User Guide for additional information.
Activate and display TPMS transmitter IDs
Display tire pressure reported by the TPMS transmitter
Read TPMS DTCs
...