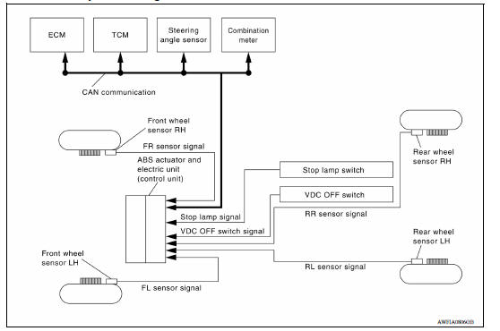
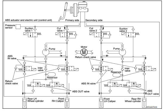
VDC/TCS/ABS : System Diagram

INPUT SIGNAL AND OUTPUT SIGNAL
Major signal transmission between each unit via communication lines is shown in the following table.

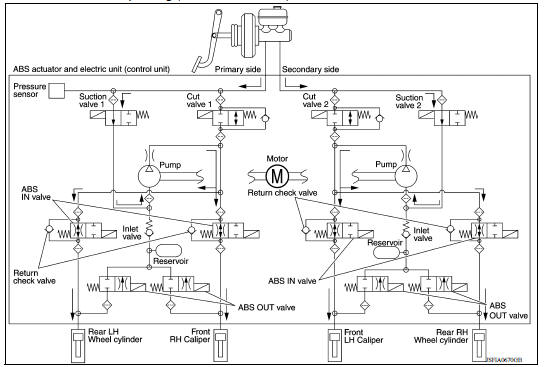
VALVE OPERATION (VDC AND TCS FUNCTIONS)
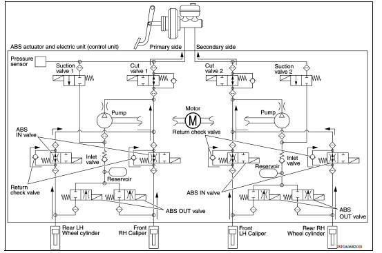
The control unit built in the ABS actuator and electric unit (control unit) controls fluid pressure of the brake calipers by operating each valve.
VDC and TCS Functions are Operating (Pressure Increases)



Front RH brake caliper
- Brake fluid is conveyed to the pump from the master cylinder through suction valve 1 and is pressurized by the pump operation. The pressurized brake fluid is supplied to the front RH brake caliper through the ABS IN valve. For the left caliper, brake fluid pressure is maintained because the pressurization is unnecessary. The pressurization for the left caliper is controlled separately from the right caliper.
Front LH brake caliper
- Brake fluid is conveyed to the pump from the master cylinder through suction valve 2 and is pressurized by the pump operation. The pressurized brake fluid is supplied to the front LH brake caliper through the ABS IN valve. For the right caliper, brake fluid pressure is maintained because the pressurization is unnecessary.
The pressurization for the right caliper is controlled separately from the left caliper.
Rear RH wheel cylinder
- Brake fluid is conveyed to the pump from the master cylinder through suction valve 2 and is pressurized by the pump operation. The pressurized brake fluid is supplied to the rear RH wheel cylinder through the ABS IN valve. For the left wheel cylinder, brake fluid pressure is maintained because the pressurization is unnecessary.
The pressurization for the left wheel cylinder is controlled separately from the right wheel cylinder.
Rear LH wheel cylinder
- Brake fluid is conveyed to the pump from the master cylinder through suction valve 1 and is pressurized by the pump operation. The pressurized brake fluid is supplied to the rear LH wheel cylinder through the ABS IN valve. For the right wheel cylinder, brake fluid pressure is maintained because the pressurization is unnecessary. The pressurization for the right wheel cylinder is controlled separately from the left wheel cylinder.
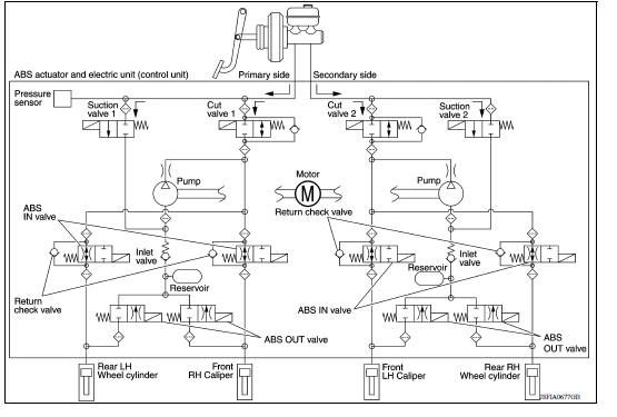
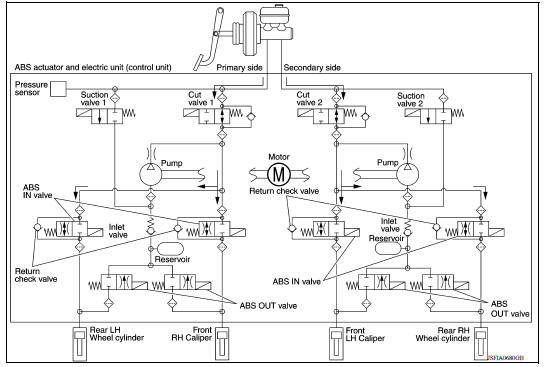
VDC and TCS Functions Start Operating (Pressure Holds)
VDC and TCS Functions Start Operating (Pressure Holds)


Front RH brake caliper
- Since the cut valve 1 and the suction valve 1 are closed, the front RH brake caliper, master cylinder, and reservoir are blocked. This maintains fluid pressure applied on the front RH brake caliper. The pressurization for the left caliper is controlled separately from the right caliper.
Front LH brake caliper
- Since the cut valve 2 and the suction valve 2 are closed, the front LH brake caliper, master cylinder, and reservoir are blocked. This maintains fluid pressure applied on the front LH brake caliper. The pressurization for the right caliper is controlled separately from the left caliper.
Rear RH wheel cylinder
- Since the cut valve 2 and the suction valve 2 are closed, the rear RH wheel cylinder, master cylinder, and reservoir are blocked. This maintains fluid pressure applied on the rear RH wheel cylinder. The pressurization for the left wheel cylinder is controlled separately from the right wheel cylinder.
Rear LH wheel cylinder
- Since the cut valve 1 and the suction valve 1 are closed, the rear LH wheel cylinder, master cylinder, and reservoir are blocked. This maintains fluid pressure applied on the rear LH wheel cylinder. The pressurization for the right wheel cylinder is controlled separately from the left wheel cylinder.
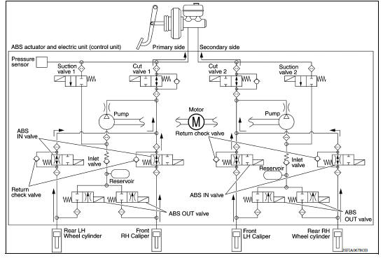
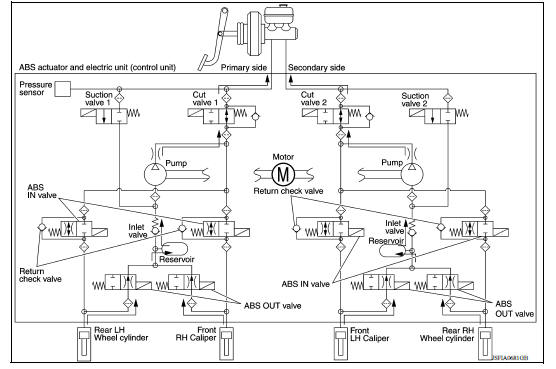
VDC and TCS Functions Operating (Pressure Decreases)


Front RH brake caliper
- Since the suction valve 1 and the ABS OUT valve are closed and the cut valve 1 and the ABS IN valve are open, the fluid pressure applied on the front RH brake caliper is reduced by supplying the fluid pressure to the master cylinder via the ABS IN valve and the cut valve 1. The pressurization for the right caliper is controlled separately from the left caliper.
Front LH brake caliper
- Since the suction valve 2 and the ABS OUT valve are closed and the cut valve 2 and the ABS IN valve are open, the fluid pressure applied on the front LH brake caliper is reduced by supplying the fluid pressure to the master cylinder via the ABS IN valve and the cut valve 2. The pressurization for the left caliper is controlled separately from the right caliper.
Rear RH wheel cylinder
- Since the suction valve 2 and the ABS OUT valve are closed and the cut valve 2 and the ABS IN valve are open, the fluid pressure applied on the rear RH wheel cylinder is reduced by supplying the fluid pressure to the master cylinder via the ABS IN valve and the cut valve 2. The pressurization for the right wheel cylinder is controlled separately from the left wheel cylinder.
Rear LH wheel cylinder
- Since the suction valve 1 and the ABS OUT valve are closed and the cut valve 1 and the ABS IN valve are open, the fluid pressure applied on the rear LH wheel cylinder is reduced by supplying the fluid pressure to the master cylinder via the ABS IN valve and the cut valve 1. The pressurization for the left wheel cylinder is controlled separately from the right wheel cylinder.
Component Parts and Function

VALVE OPERATION (ABS AND EBD FUNCTIONS)
The control unit built into the ABS actuator and electric unit (control unit) controls fluid pressure of the brake calipers by operating each valve.
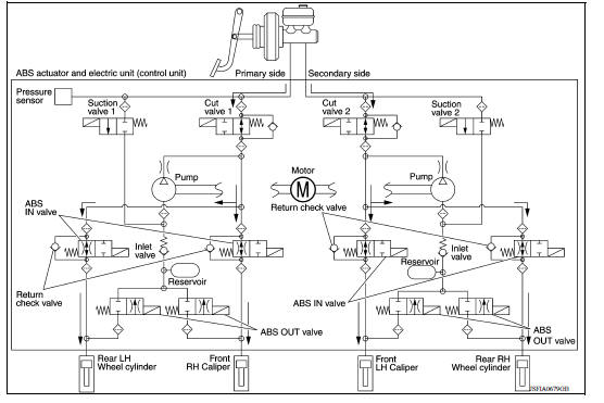
Brake Pedal Applied or ABS Function Operating (Pressure Increases)


Front RH brake caliper
- When the cut valve 1 and the ABS IN valve opens, brake fluid is supplied to the front RH brake caliper from the master cylinder through the ABS IN valve. Brake fluid does not flow into the reservoir because the ABS OUT valve is closed.
Front LH brake caliper
- When the cut valve 2 and the ABS IN valve opens, brake fluid is supplied to the front LH brake caliper from the master cylinder through the ABS IN valve. Brake fluid does not flow into the reservoir because the ABS OUT valve is closed.
Rear RH wheel cylinder
- When the cut valve 2 and the ABS IN valve opens, brake fluid is supplied to the rear RH wheel cylinder from the master cylinder through the ABS IN valve. Brake fluid does not flow into the reservoir because the ABS OUT valve is closed.
Rear LH wheel cylinder
- When the cut valve 1 and the ABS IN valve opens, brake fluid is supplied to the rear LH wheel cylinder from the master cylinder through the ABS IN valve. Brake fluid does not flow into the reservoir because the ABS OUT valve is closed.
ABS Function Starts Operating (Pressure Holds)


Front RH brake caliper
- Since the ABS IN valve and the ABS OUT valve are closed, the front RH brake caliper, master cylinder, and reservoir are blocked. This maintains fluid pressure applied on the front RH brake caliper.
Front LH brake caliper
- Since the ABS IN valve and the ABS OUT valve are closed, the front LH brake caliper, master cylinder, and reservoir are blocked. This maintains fluid pressure applied on the front LH brake caliper.
Rear RH wheel cylinder
- Since the ABS IN valve and the ABS OUT valve are closed, the rear RH wheel cylinder, master cylinder, and reservoir are blocked. This maintains fluid pressure applied on the rear RH wheel cylinder.
Rear LH wheel cylinder
- Since the ABS IN valve and the ABS OUT valve are closed, the rear LH wheel cylinder, master cylinder, and reservoir are blocked. This maintains fluid pressure applied on the rear LH wheel cylinder.
ABS Function Operating (Pressure Decreases)


Front RH brake caliper
- Since the ABS IN valve is closed and the ABS OUT valve is opened, fluid pressure applied on the front RH brake caliper is supplied to the reservoir through the ABS OUT valve. This fluid pressure decreases when sent to the master cylinder by the pump.
Front LH brake caliper
- Since the ABS IN valve is closed and the ABS OUT valve is opened, fluid pressure applied on the front LH brake caliper is supplied to the reservoir through the ABS OUT valve. This fluid pressure decreases when sent to the master cylinder by the pump.
Rear RH wheel cylinder
- Since the ABS IN valve is closed and the ABS OUT valve is opened, fluid pressure applied on the rear RH wheel cylinder is supplied to the reservoir through the ABS OUT valve. This fluid pressure decreases when sent to the master cylinder by the pump.
Rear LH wheel cylinder
- Since the ABS IN valve is closed and the ABS OUT valve is opened, fluid pressure applied on the rear LH wheel cylinder is supplied to the reservoir through the ABS OUT valve. This fluid pressure decreases when sent to the master cylinder by the pump.
ABS Function Operating (Pressure Increases)


Front RH brake caliper
- Brake fluid is supplied to the front RH brake caliper from the master cylinder through the cut valve 1 and the ABS IN valve. Since the suction valve 1 and the ABS OUT valve is closed, the fluid does not flow into the reservoir. The amount of brake fluid supplied to the front RH brake caliper from the master cylinder is controlled according to time that the ABS IN valve is not energized (time that the ABS IN valve is open).
Front LH brake caliper
- Brake fluid is supplied to the front LH brake caliper from the master cylinder through the cut valve 2 and the ABS IN valve. Since the suction valve 2 and the ABS OUT valve is closed, the fluid does not flow into the reservoir. The amount of brake fluid supplied to the front LH brake caliper from the master cylinder is controlled according to time that the ABS IN valve is not energized (time that the ABS IN valve is open).
Rear RH wheel cylinder
- Brake fluid is supplied to the rear RH wheel cylinder from the master cylinder through the cut valve 2 and the ABS IN valve. Since the suction valve 2 and the ABS OUT valve is closed, the fluid does not flow into the reservoir. The amount of brake fluid supplied to the rear RH wheel cylinder from the master cylinder is controlled according to time that the ABS IN valve is not energized (time that the ABS IN valve is open).
Rear LH wheel cylinder
- Brake fluid is supplied to the rear LH wheel cylinder from the master cylinder through the cut valve 1 and the ABS IN valve. Since the suction valve 1 and the ABS OUT valve is closed, the fluid does not flow into the JSFIA0679GB reservoir. The amount of brake fluid supplied to the rear LH wheel cylinder from the master cylinder is controlled according to time that the ABS IN valve is not energized (time that the ABS IN valve is open).
Brake Release


Front RH brake caliper
- Brake fluid is supplied to the front RH brake caliper through the return check valve of the ABS IN valve and the cut valve 1, and returns to the master cylinder.
Front LH brake caliper
- Brake fluid is supplied to the front LH brake caliper through the return check valve of the ABS IN valve and the cut valve 2, and returns to the master cylinder.
Rear RH wheel cylinder
- Brake fluid is supplied to the rear RH wheel cylinder through the return check valve of the ABS IN valve and the cut valve 2, and returns to the master cylinder.
Rear LH wheel cylinder
- Brake fluid is supplied to the rear LH wheel cylinder through the return check valve of the ABS IN valve and the cut valve 1, and returns to the master cylinder.
Component Parts and Function

CONDITIONS FOR INDICATOR LAMP ILLUMINATION

CONDITIONS FOR WARNING LAMP ILLUMINATION
Turns ON when ignition switch turns ON and turns OFF when the system is normal, for bulb check purposes.


SYSTEM DIAGRAM

SYSTEM DESCRIPTION
VDC function detects side slip status using each sensor when side slip or tail slip is about to occur and improves vehicle stability by brake control and engine output control during driving.

INPUT SIGNAL AND OUTPUT SIGNAL
Major signal transmission between each unit via communication lines is shown in the following table.

OPERATION CHARACTERISTICS
VDC Function That Prevents Oversteer Tendency


VDC Function That Prevents Understeer Tendency


SYSTEM DIAGRAM

SYSTEM DESCRIPTION

However, ABS function and EBD function operate normally.
Refer to BRC "Fail-safe".
INPUT SIGNAL AND OUTPUT SIGNAL
Major signal transmission between each unit via communication lines is shown in the following table.

SYSTEM DIAGRAM

- Vehicle tail slip is prevented during braking when driving straight.
- Understeer and oversteer tendencies are moderated during braking while cornering.
- Obstacles may be easily bypassed by steering operation during braking.
Refer to BRC "VDC/TCS/ABS : Fail-safe".

INPUT SIGNAL AND OUTPUT SIGNAL
Major signal transmission between each unit via communication lines is shown
in the following table.
SYSTEM DIAGRAM



INPUT SIGNAL AND OUTPUT SIGNAL
Major signal transmission between each unit via communication lines is shown
in the following table. 
VDC AND TCS FUNCTIONS
VDC warning lamp in combination meter turns ON when a malfunction occurs in system [ABS actuator and electric unit (control unit)]. The control is suspended for VDC and TCS functions. However, ABS and EBD functions operate normally.
ABS FUNCTION
ABS warning lamp and SLIP indicator lamp in combination meter turn ON when a malfunction occurs in system [ABS actuator and electric unit (control unit)]. The control is suspended for VDC, TCS and ABS functions.
However, EBD functions operate normally.
EBD FUNCTION
ABS warning lamp, brake warning lamp and SLIP indicator lamp in combination meter turn ON when a malfunction occurs in system [ABS actuator and electric unit (control unit)]. The control is suspended for VDC, TCS, ABS and EBD functions.


Component partsComponent Parts Location 1 ABS actuator and electric unit (control unit) 2 IPDM E/R 3 Brake fluid level switch (view with IPDM E/R removed) 4 Front wheel sensor 5 Rear wheel sensor 6 VDC OFF ...

CONSULT Function (ABS) APPLICATION ITEMS CONSULT can display each diagnostic item using the following direct diagnostic modes. ECU IDENTIFICATION ABS actuator and electric uni ...
P1715 Input speed sensor
Description
ECM receives input speed sensor signal from TCM via the CAN communication
line. ECM uses this signal for
engine control.
DTC Logic
DTC DETECTION LOGIC
NOTE:
If DTC P1715 is displayed with DTC UXXXX, first perform the
trouble diagnosis for DTC UXXXX.
If DTC P1715 is displa ...
Lock-up control
Lock-up control : system diagram
Lock-up control : system description
The torque converter clutch piston in the torque converter is engaged to
eliminate torque converter slip to
increase power transmission efficiency.
The torque converter clutch control valve operation is controlle ...