AUTO ACTIVE TEST
Description
In auto active test, the IPDM E/R sends a drive signal to the following systems to check their operation.
Operation Procedure
NOTE: Never perform auto active test in the following conditions.
1. Close the hood and lift the wiper arms from the windshield. (Prevent windshield damage due to wiper operation)
NOTE: When auto active test is performed with hood opened, sprinkle water on windshield beforehand.
2. Turn the ignition switch OFF.
3. Turn the ignition switch ON, and within 20 seconds, press the driver door switch 10 times. Then turn the ignition switch OFF.
4. Turn the ignition switch ON within 10 seconds. After that the horn sounds once and the auto active test starts.
5. After a series of the following operations is repeated 3 times, auto active test is completed.
NOTE:
Inspection in Auto Active Test
When auto active test is actuated, the following operation sequence is
repeated 3 times.
Concept of Auto Active Test

Therefore, the CAN communication line between IPDM E/R and BCM is considered normal if the auto active test starts successfully.
Diagnosis Chart in Auto Active Test

APPLICATION ITEM
CONSULT performs the following functions via CAN communication with IPDM E/R.


ECU IDENTIFICATION
The IPDM E/R part number is displayed.
SELF DIAGNOSTIC RESULT
Refer to PCS "DTC Index".
DATA MONITOR

ACTIVE TEST

CAN DIAG SUPPORT MNTR
Refer to LAN "CAN Diagnostic Support Monitor".
Revision:
ECU DIAGNOSIS INFORMATION
BCM, IPDM E/R
List of ECU Reference
|
ECU |
Reference |
| BCM (with Intelligent Key system) | BCS "Reference Value" |
| BCS "Fail-safe" | |
| BCS "DTC Inspection Priority Chart" | |
| BCS "DTC Index" | |
| BCM (without Intelligent Key system) | BCS "Reference Value" |
| BCS "Fail-safe" | |
| BCS "DTC Inspection Priority Chart" | |
| BCS "DTC Index" | |
| IPDM E/R (with Intelligent Key system) | PCS"Reference Value" |
| PCS "Fail-safe" | |
| PCS "DTC Index" | |
| IPDM E/R (without Intelligent Key system) | PCS "Reference Value" |
| PCS "Fail-Safe" | |
| PCS "DTC Index" |
WIRING DIAGRAM
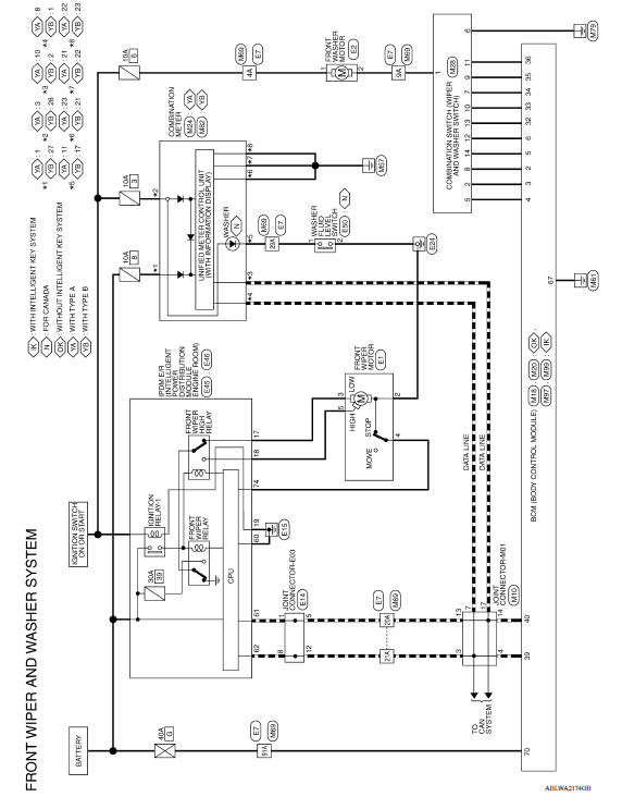
FRONT WIPER AND WASHER SYSTEM
Wiring Diagram





BASIC INSPECTION

Work Flow DETAILED FLOW 1. REVIEW CUSTOMER COMPLAINT Review customer complaint. Try to obtain detailed information about the conditions when the symptom occurs. >> GO TO 2 2. VERIFY THE ...
Control panel buttons - color screen with Navigation System (if so equipped)
WARNING
Positioning of the heating or air conditioning
controls and display controls
should not be done while driving in order
that full attention may be given to
the driving operation.
Do not disassemble or modify this system.
If you do, it may result in accidents,
fire, or elec ...
C1607, C1608 EPS Control unit
DTC Logic
DTC DETECTION LOGIC
DTC CONFIRMATION PROCEDURE
1.PRECONDITIONING
If "DTC CONFIRMATION PROCEDURE" has been previously conducted, always turn
ignition switch OFF and
wait at least 10 seconds before conducting the next test.
>> GO TO 2 ...