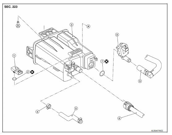
Exploded View

1. EVAP control system pressure sensor 2. O-ring 3. EVAP canister 4. Hose clamp 5. EVAP canister purge hose 6. EVAP vent line 7. O-ring 8. EVAP canister vent control valve 9. EVAP canister vent control valve hose A. Mount to vehicle bracket
Removal and Installation
NOTE: The EVAP canister vent control valve and EVAP canister system pressure sensor can be removed without removing the EVAP canister.
REMOVAL
INSTALLATION
Installation is in the reverse order of removal.
CAUTION: Do not reuse O-rings.
Inspection
Check EVAP canister as follows:

Fuel tankExploded View 1. Fuel tank 2. Fuel tank mounting band (RH) 3. Fuel tank mounting band (LH) 4. Clamp 5. Fuel filler hose 6. Fuel filler tube 7. Grommet 8. Fuel filler cap 9. Clamp 10. Vent hose ...

Exploded View 1. EVAP canister vent control valve hose 2. Canister drain hose 3. EVAP canister filter Front Removal and Installation REMOVAL Remove the EVAP canister protector cover. ...
Engine compartment check locations
HR16DE Engine
1. Drive belt location
2. Engine oil filler cap
3. Air cleaner
4. Brake and clutch (if so equipped) fluid
reservoir
5. Fusible link
6. Battery
7. Engine coolant reservoir
8. Radiator cap
9. Engine oil dipstick
10. Windshield-washer fluid reservoir
Refer to the page numb ...
Ignition coil, spark plug and rocker cover
Exploded View
1. Ignition coil 2. Spark plug 3. Rocker cover
4. Hose cramp 5. PCV hose 6. PCV valve
7. Oring 8. Gasket 9. Oil filler cap
10. Oring 11. Intake camshaft position sensor 12. Exhaust camshaft position
sensor
13. Clip A. To intake manifold
Removal and Installation
REMOVAL
...